2023-05-17 09:39:18
貴州縣城污水廠自控系統項目案例
項目概況
本工程為貴州某縣城污水處理二期工程,總規模為1.5萬噸/日。

設計標準
《給水排水儀表自動化控制工程施工及驗收規程》CECS162-20004
《自動化儀表工程施工及驗收規范》 GB50093-2013
《可編程儀器的數字接口》ANS1488
《計算機軟件開發規范》GB8566
《計算機軟件質量保證計劃規范》 GB/T12504

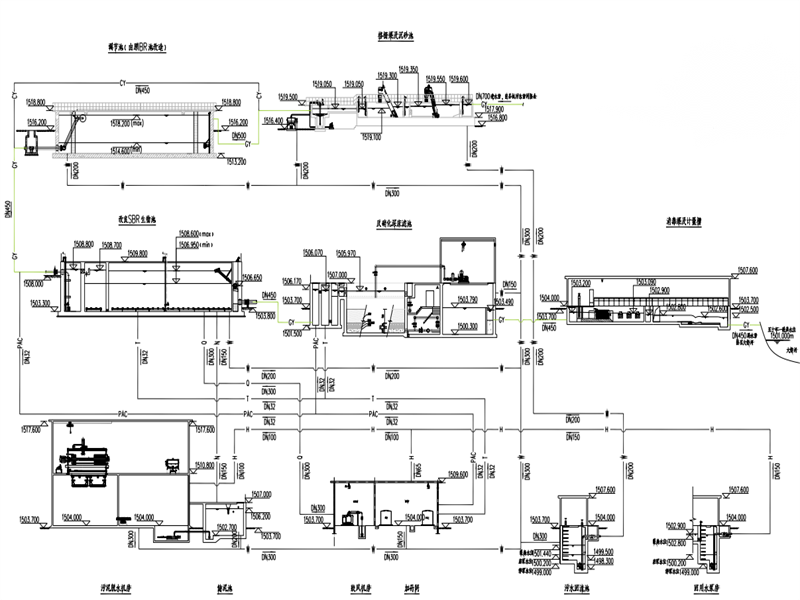
污水廠生產工藝

污水廠自控系統架構

信 息 層
中央控制系統位于綜合樓的中央控制室,中央監控計算機、工業網絡交換機、報表及報警打印機等組成中央監控主站。完成全廠工藝設備的運行狀態、工藝過程參數的采集和監視遠程控制相關設備,設定運行參數配合工藝運行流程提高水廠管理水平。實現報表打印、事故報警打印、運行生產管理、成本控制等功能。污水廠信息系統具有采集、事故預警、應急處置等功能。作為數字化城市信息系統的組成部分。



污水廠中央控制室
控 制 層
現場控制站:配電間綜合控制站(1#PLC);反硝化深床濾池控制站(2#PLC);加藥間獨立控制站ECUO1);污泥脫水機房獨立控制站(ECU2);紫外線消毒系統(ECUO3)組成。控制單元接入全廠自控系統的設備信號,儀表信號,上傳中控室,實現全廠工藝設備、流程的集中管理及控制。

配電室控制主站(1#PLC)

反硝化深床濾池控制站(2#PLC)

加藥間獨立控制站(ECUO1)

污泥脫水機房獨立控制站(ECU2)

紫外線消毒系統(ECU03)
設 備 層

插入式電磁流量計

水質儀表

現場儀表箱

DO顯示儀

鼓風機房設備